装修案例
灵感美图
找设计
找工长
看工地
记住密码
我已阅读并同意注册协议
发直播
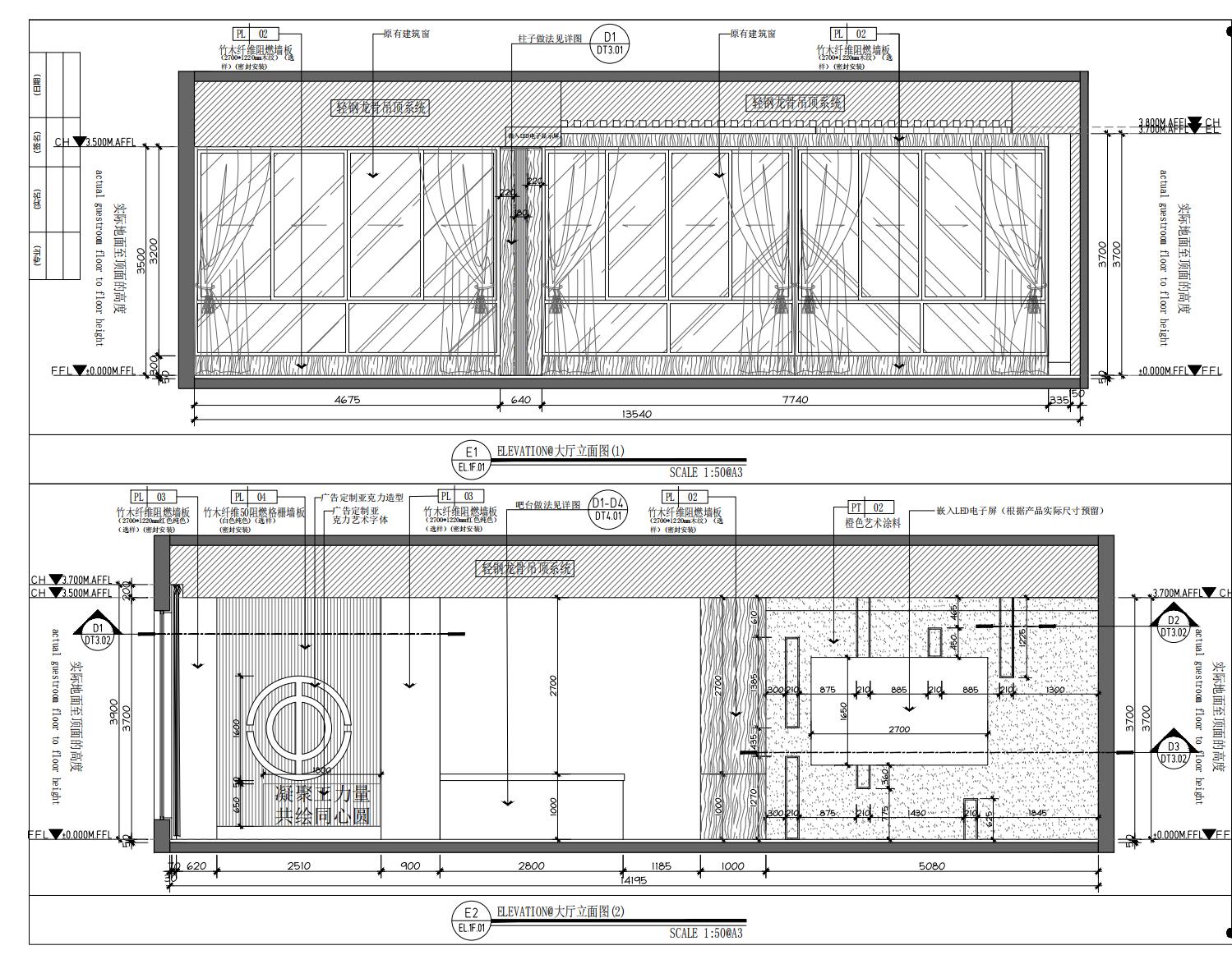
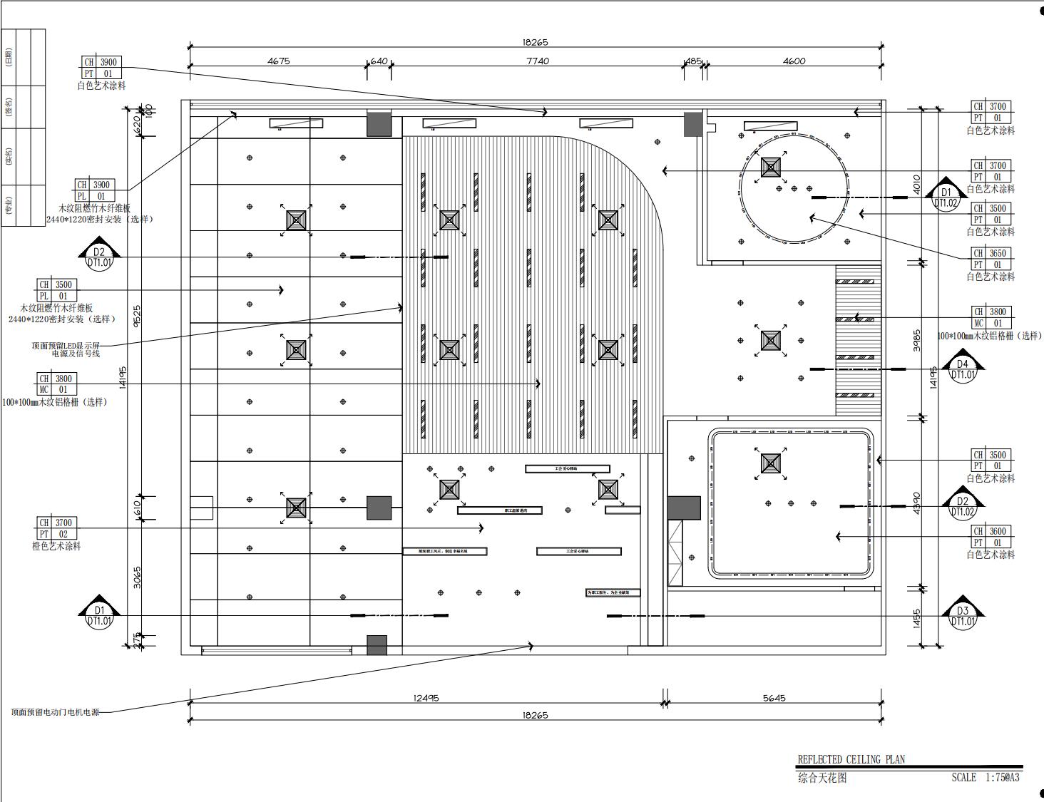
平立面图
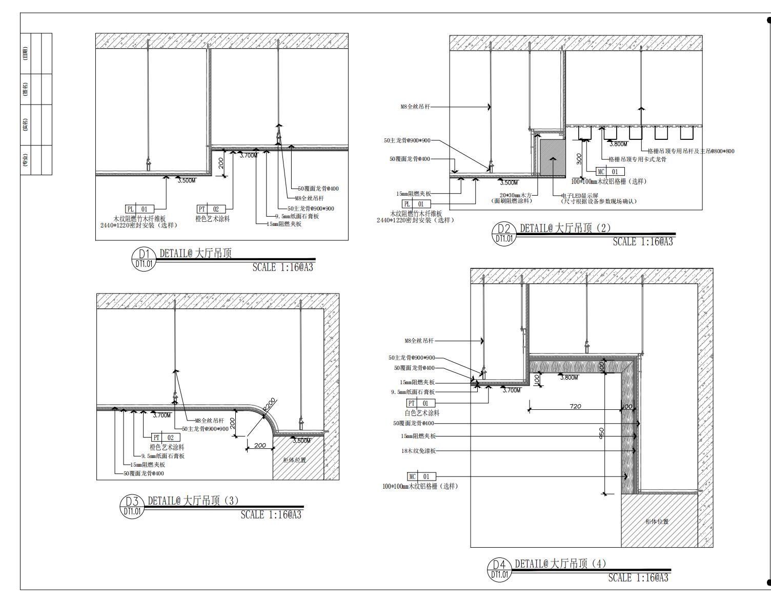
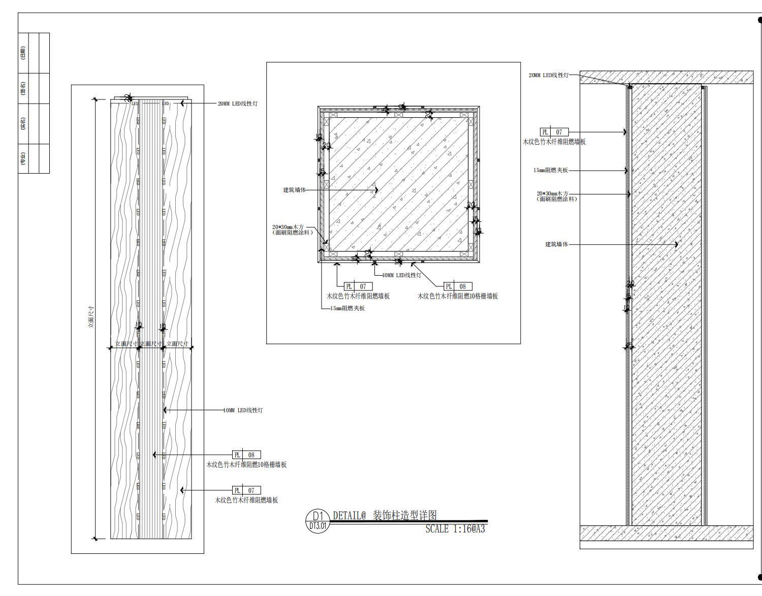
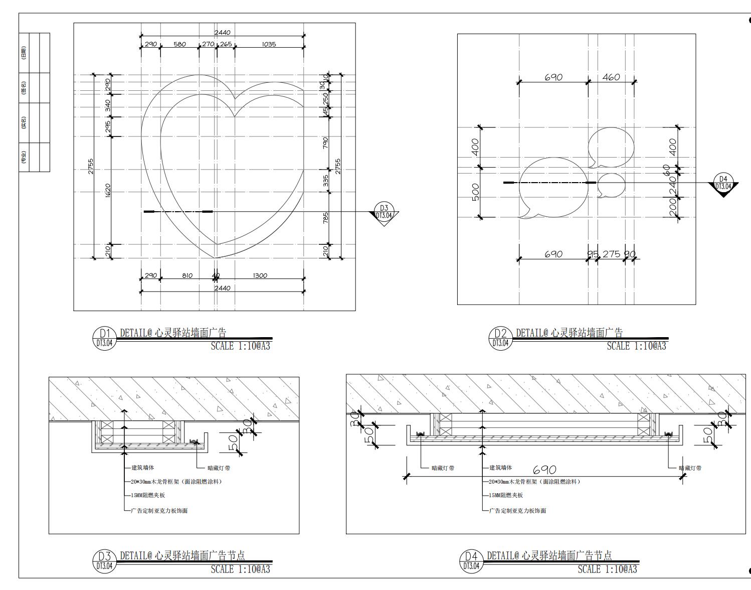
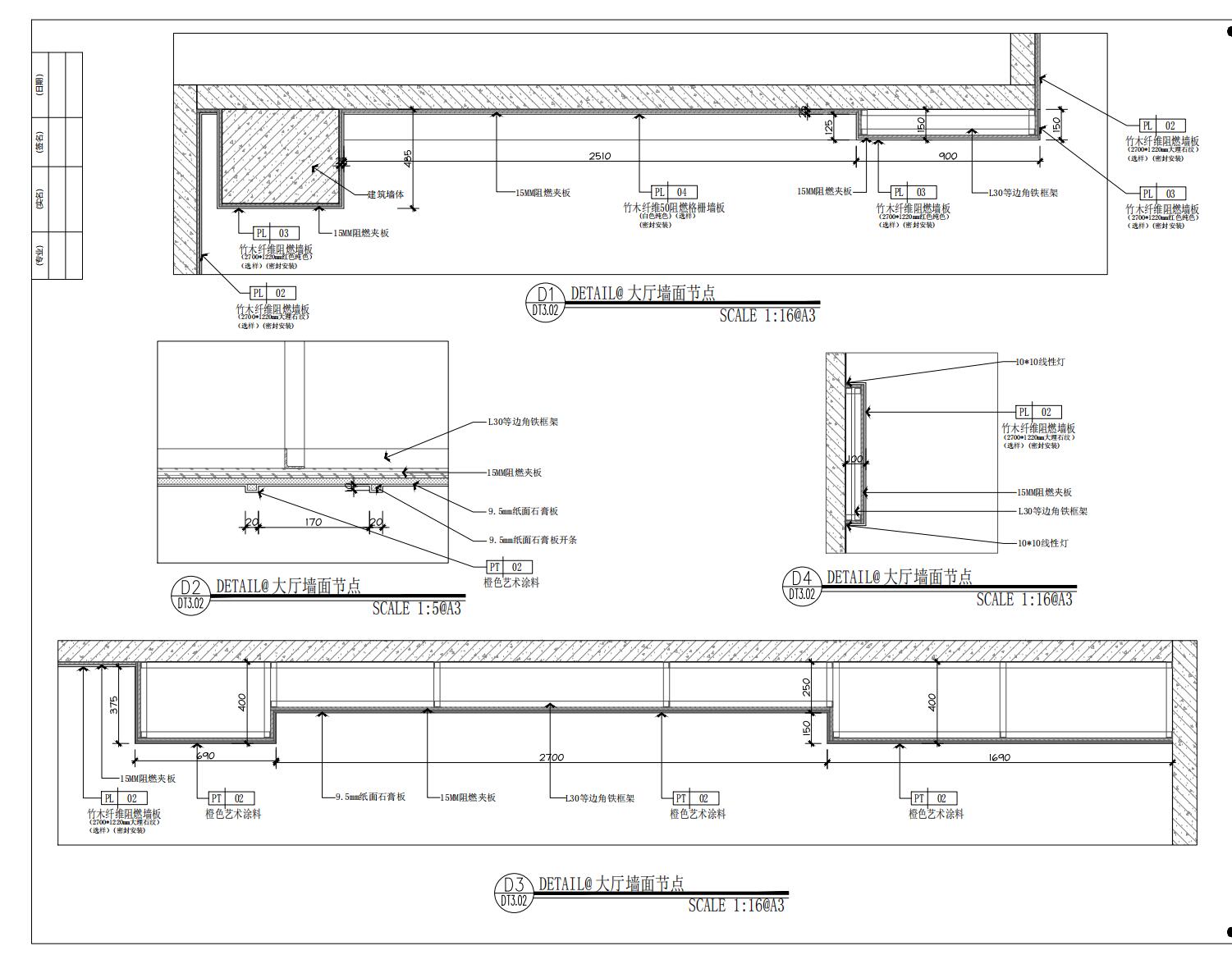
节点大样图
前厅设计
华泰证券办公室效果图
办公空间设计施工(1)
办公空间设计施工(2)
波浪形前厅
施工现场